Cumulatively Compound Generator are more common as compared to Differentially Compound Generator as they have almost constant voltage from No-Load to Full Load.
1. No-Load Characteristics
For long shunt, due to lesser number of turns in series field winding, series MMF does not impact the no-load characteristics.
For short shunt, series field winding does not carry any current and this no-load characteristics is same as that of shunt generator.
Hence, in both cases no-load characteristics are same as that of a Shunt Generator.
2. External Characteristics
In cumulatively compounded generator, series flux adds shunt flux and depending upon number of series field turns, It is classified as
- Under-compounded: Vt falls with load
 - Flat-compounded: Vt is practically constant
 - Over-compounded: Vt rises with load
 
In differentially compounded generator, series flux opposes shunt flux and thus Vt falls more rapidly with load.
If we plot the characteristics of different generator keeping the No-Load Voltage same in all the cases.
Differentially compounded generators are not impacted by SC as can be seen from characteristics that under Short Circuit conditions the current is limited and hence it is used for welding purposes.
If common operating point is VFL  and  IFL
1 - Series
2 - Over compound
3 - Flat compound
4 - under compound
5 - separately excited
6 - shunt
7 - Differentially compounded
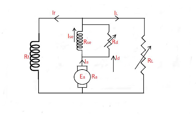
Parallel operation of cumulatively compound generator
Equalizer connection is used to avoid run away of load to any single generator which means one generator should not handle large amount of load. The circuit is shown below:





Comments
Post a Comment